LZCT722-10 zero sequence current transformer is suitable for current measurement and microcomputer protection of electrical equipment in 10KV and 35KV AC power system. It is not only widely used in compact fully insulated ring net switch cabinets and load switch cabinet but also cable distribution boxes because of its small size, light weight, open feasibility and convenient. It is very convenient that the transformer can be directly installed at connected output and input cables.
New magnetic material amorphous alloy or permalloy is taken to be the core of the bushing type current transformer, which has high magnetic permeability, low saturation induction density and good stability. Therefore, the measuring accuracy is higher and the instrument security factor in lower. Since the high quality silicon steel sheet metal processed by advanced technology is taken to be the core of the protection windings, the accuracy limit factor will be higher.
The circular ring core and secondary windings are poured by quality epoxies resin or polyurethane or silicon rubber in the fire retardant plastic casing, which has the characteristic of moisture proof, stable performance and dispensing with maintenance. The cable can cross the window type current transformer through its internal poles quickly and uniformly.
All of our zero sequence current transformers are strictly comply IEC60044-1, IEC 61869-2, NTC 2205, GB1208-2006, GB20840.2-2013, ANSI/IEEE C57.13.


P1, P2 is primary polarity terminal, S1, S2 is secondary polarity terminal.
P2, S2 is homonymous terminals (subtractive polarity).
| Technical parameters | |
|---|---|
| Standards | IEC60044-1; IEC 61869-2; NTC 2205; ANSI/IEEE C57.13; GB1206-2006; |
| Class | 0.2S, 0.2, 0.5S, 0.5, 1, 3, 10P10, 10P, 10P20 |
| Rated primary current | 50-1500A |
| Rated load | ≤25VA |
| Rated frequency | 50Hz or 60Hz |
| Rated short-time thermal current | 40kA, 1S |
| Rated continuous thermal current | 120%I1n |
| Secondary winding power-frequency voltage | 3kV, 1min |
| Instrument security factor | FS≤10 |
| Insulation class | A |
| Material | Polyurethane+silicon steel sheets+enameled wire+ABS |
| Mechanical parameters | |
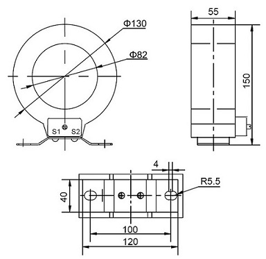
| Dimensions (W×D×H)(mm) | φ182×φ130×55 |
| Jaw cable diameter (mm) | 82 |
| Weight (kg) | 2.3 |
| Operating conditions | |
| Operating temperature | -40°C to +70°C |
| Daily average temp | <+40°C |
| Storage temperature | -40°C to +70°C |
| Altitude | <3500 meters |
| Condition | No existence of severely begrimed, erosive and radioactive gas in the air. Permission of long-term operation under rated current. |
| Type | LZCT722-10 | LZCT722-10 | LZCT722-10 | |||||||
|---|---|---|---|---|---|---|---|---|---|---|
| Purpose | Measuring current transformer | Protection current transformer | Double winding current transformer | |||||||
| Ratio | Accuracy class and rated load (VA) | Accuracy class and rated load (VA) | Composite accuracy class and rated load (VA) | |||||||
| I1/I2 | 0.2S | 0.2 | 0.5 | 10P15 | 10P10 | 10P5 | 0.5 | 1 | 10P10 | 10P5 |
| 50/1 | 2 | 0.75 | 2 | 1.5 | 0.6 | |||||
| 100/1 | 3.75 | 1 | 1.5 | 2 | 2.5 | 0.75 | 1.5 | |||
| 200/1 | 2.5 | 5 | 1.25 | 2 | 3 | 1 | 2 | |||
| 300/1 | 2.5 | 3.75 | 5 | 1.5 | 2.5 | 3.75 | 1.5 | 3 | ||
| 400/1 | 3.75 | 5 | 7.5 | 1.5 | 3 | 5 | 1.5 | 3 | ||
| 500/1 | 5 | 7.5 | 10 | 2 | 3.5 | 5 | 1.5 | 3 | ||
| 600/1 | 7.5 | 10 | 2 | 3.75 | 7.5 | 1.5 | 3 | |||
| 75/5 | 2.5 | 2.5 | ||||||||
| 100/5 | 3.75 | 3.75 | ||||||||
| 200/5 | 3.75 | 7.5 | 2.5 | 6.25 | 3.75 | 2.5 | ||||
| 300/5 | 3.75 | 5 | 10 | 2.5 | 5 | 5 | 2.5 | 5 | ||
| 400/5 | 5 | 7.5 | 15 | 2.5 | 5 | 7.5 | 3.75 | 6.25 | ||
| 500/5 | 7.5 | 10 | 15 | 3.75 | 5 | 7.5 | 3.75 | 6.25 | ||
| 600/5 | 7.5 | 10 | 20 | 3.75 | 5 | 10 | 5 | 7.5 | ||
| 750/5 | 7.5 | 10 | 20 | |||||||
| 800/5 | 10 | 15 | 20 | |||||||
| 1000/5 | 10 | 15 | 25 | |||||||
| 1200/5 | 15 | 15 | 25 | |||||||
| 1500/5 | 15 | 15 | 25 | |||||||
| Model | Primary rated current | Rated load | Aperture (mm) | Description (mm) | Weight (kg) |
|---|---|---|---|---|---|
| LZCK310-10 | 300-1000A | ≤10VA | φ50 | φ50xφ110x32 | 1 |
| LZCK322-10 | 30-1000A | ≤10VA | φ50 | φ50xφ110x52 | 1.6 |
| LZCK350-10 | 30-1000A | ≤25VA | φ50 | φ50xφ110x105 | 3.1 |
| LZCK720-10 | 30-1000A | ≤25VA | φ80 | φ80xφ110x50 | 2.1 |
| LZCK2500-10 | 30-3000A | ≤30VA | φ120, 140, 160 | φ120xφ185x100 | 7 |
| LZCK2500-10 | 30-3000A | ≤30VA | φ120, 140, 160 | φ120xφ185x100 | 7 |
| LZCG530-10 | 30-1000A | ≤20VA | φ45 | φ45xφ120x65 | 2.1 |
| LZCG930-10 | 30-1500A | ≤25VA | φ60 | φ60xφ155x60 | 3.6 |
| LZCT722-10 | 30-1500A | ≤10VA | φ82 | φ82xφ130x55 | 2.3 |
| LZCG2500-10 | 30-3000A | ≤30VA | φ120, 140, 160 | φ120xφ185x100 | 7 |
Be sure to the type, current ratio, accuracy class, rated load and use of the products when you plan to make a order. Special specifications could be customized. All kinds of different specifications and parameters current transformers can be made according to your needs.